Zum Hauptinhalt springen

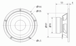
Der W 130 S von Visaton ist ein 13-cm HiFi-Tiefmitteltöner mit beschichteter Papiermembran, elastischer Gummisicke und 25-mm Schwingspule. Er lässt sich als Tieftöner einsetzen und eignet sich dank sehr ausgewogenem Frequenzgang ebenso als Tief-Mitteltöner in größeren 3-Wege-Boxen. Die mechanische Grenzauslenkung beträgt ± 8 mm, der mittlere Schalldruckpegel liegt bei 87 dB (1 W/1 m). Für das Gehäuse nennt der Hersteller 7 l geschlossen sowie 20 l und 30 l Bassreflex mit fb 44 Hz bzw. 39 Hz. Mit 0,9 T magnetischer Induktion und 283 µWb Magnetfluss ist der Antrieb solide dimensioniert. Eine Schallwandöffnung von 109 mm erleichtert den Einbau in kompakte Designs. Der W 130 S passt damit gut in praxisnahe HiFi-Konzepte mit klarer Zielsetzung.


JETZT – originale Recone-Kits von Visaton sowie unser Recone-Service – nur hier!


Technische Daten – Visaton W 130 S


Technische Daten 4 Ω 8 Ω
KategorieTief-MitteltönerTief-Mitteltöner
LF Größe (Zoll)5"5"
LF Nennimpedanz4 Ω8 Ω
LF AES/Programm50 W / 80 W50 W / 80 W
LF Empfindlichkeit87 dB (1 W/1 m)87 dB (1 W/1 m)
LF Frequenzbereichfu–12000 Hzfu–12000 Hz
LF Flussdichte0,9 T0,9 T
LF Schwingspule Ø25 mm25 mm
LF MembranmaterialPapier, beschichtetPapier, beschichtet
LF Re3,5 Ω6 Ω
LF Fs50 Hz52 Hz
LF Le0,6 mH0,6 mH
Qes0,550,59
Qms2,542,26
Qts0,450,47
Vas14 l12 l
Mms5,4 g6 g
Bl3,6 Tm4,6 Tm
Sd74 cm²74 cm²
LF Wicklungshöhe8,5 mm8,5 mm
Einbau Ø109 mm109 mm
Empf. Gehäusevolumen7 l (geschlossen); 20 l BR; 30 l BR7 l (geschlossen); 20 l BR; 30 l BR
Empf. Tuning (Hz)44 Hz (20 l BR); 39 Hz (30 l BR)44 Hz (20 l BR); 39 Hz (30 l BR)
Versandgewicht1,4 kg1,4 kg
CB Vb(l) @ Fc = 200 Hz *0,9 l0,9 l
CB Vb(l) @ Fc = 100 Hz *4,7 l4,4 l
CB Vb(l) @ Fc = 80 Hz *9,0 l8,8 l
CB Vb(l) @ Fc = 60 Hz *31,8 l36,2 l
CB Vb(l) @ Fc = 40 Hz *nicht möglichnicht möglich
CB Vb(l) @ Qtc = 0,5 *59,7 l91,1 l


* Um einen Überblick über das benötigte Volumen des Treibers in einer Closed Box zu erhalten, haben wir, zusätzlich zu den TSP und Herstellerempfehlungen, unterschiedliche Werte für eine unbedämpfte Box errechnet. So steht beispielsweise CB Vb(l) @ Fc = 60 Hz für das unbedämpfte Volumen einer Closed Box um eine Resonanzfrequenz (fc) von 60 Hz zu erreichen. Weiterhin wird das Volumen für einen Qtc von 0,5 angegeben.


Anwendungsgebiete – Visaton W 130 S


In kompakten 2-Wege-Regallautsprechern übernimmt der Treiber die Bass- und Grundtonarbeit bis in den unteren Mittelton und lässt sich oberhalb mit einer Kalotte oder einem kleinen Kompressionstreiber kreuzen. In 3-Wege-Standlautsprechern dient er als Tief-Mitteltöner mit sauberer Anbindung an den Tiefton, etwa in 20–30-l-Bassreflex oder kleinen geschlossenen 7-l-Gehäusen. Damit entstehen alltagstaugliche Pegelreserven bei breitem Abstrahlverhalten. Durch den überschaubaren Einbaudurchmesser und die 109-mm-Schallwandöffnung eignet sich der W 130 S auch für kompakte Center- und Surround-Konzepte. Wer eine klare, robuste Lösung für Wohnzimmer-HiFi oder DIY-Kits sucht, profitiert von einfacher Integration, berechenbarem Verhalten und moderatem Volumenbedarf. Der W 130 S fügt sich so problemlos in abgestimmte Setups ein.


Downloads und Service – Visaton W 130 S


Wir unterstützen dich bei Auswahl und Abstimmung: Beratung zur Gehäuseauslegung, Hilfe bei geschlossenen und Bassreflex-Setups, Unterstützung bei Weichen-/DSP-Übergängen sowie praxiserprobte Empfehlungen für den Aufbau. Auf Wunsch liefern wir Mess- und Hör-Feedback nach dem Zusammenbau. Der W 130 S kann bei Bedarf mit originalen Recone-Kits instand gesetzt werden – unser Service kümmert sich um einen sauberen Ablauf von Annahme bis Rückversand.


DATENBLATT 4-OHM


DATENBLATT 8-OHM


Coaxial: NEIN
Größe: 5"
Magnet: Ferrit
Sperrgut: NEIN
TSP Qts: 0,401 - 0,50
TSP X-MAX (mm): 5,1 - 10,0 mm

0 von 0 Bewertungen

Durchschnittliche Bewertung von 0 von 5 Sternen

Bewerten Sie dieses Produkt!

Teilen Sie Ihre Erfahrungen mit anderen Kunden.


VISATON ist mit über 50 Jahren Erfahrung eines der führenden Lautsprecher-Spezialunternehmen in Deutschland.

Schon im Gründungsjahr 1968 waren unsere präzise und speziell gefertigten Lautsprecher gefragt. Dank des breit aufgestellten Produktprogramms und der Fähigkeit, passende Speziallösungen zu entwickeln, sind wir heute weltweit erfolgreich. Wir arbeiten tagtäglich daran, die Akustik in unterschiedlichsten Bereichen zu verbessern. Ob in der Industrie, auf Schiffen, im ÖPNV, in Museen, in Reisemobilen oder in Ihrem Wohnzimmer.

Die Bezahlung in unserem Shop ist absolut unkompliziert und bei Vorkasse gewähren wir ein extra Skonto von 2% ! Detaillierte Infos finden Sie unter Bezahlung & Versand. Wir bieten folgende Zahlungsmethoden:

Vorkasse paypal Amazon Pay Klarna paypal_card

Versand nach D/A/CH (weitere Länder nur auf Anfrage)

KOSTENLOSER VERSAND AB:
Deutschland 999 €
Österreich 1.999 €
Schweiz 2.999 €)

Bei großen oder schweren Artikel kann ein pauschaler Sperrgut-Zuschlag anfallen - siehe Artikeleigenschaften (Sperrgut).

Sobald Ihre Bestellung aufgegeben wurde, erhalten Sie eine Bestätigungs-E-Mail, in der Sie darüber informiert werden, dass unser Team Ihre Bestellung erhalten hat. Sobald Ihre Bestellung bearbeitet wurde, erhalten Sie eine Benachrichtigung per E-Mail mit Ihren Informationen zum aktuellen Status. Die Versandkosten werden im Falle einer Rücksendung nicht erstattet. Wir versenden mit:

(D) Standardversand (D) Standardversand + Sperrgutpauschale (D) Versandkostenfrei (D) Versandkostenfrei + Sperrgutpauschale