Der KT 100 V von VISATON ist ein 10 cm (4″) Tieftöner, entwickelt für kompakte Lautsprecher-Gehäuse mit überraschend tiefer Resonanzfrequenz. Der KT 100 V überzeugt durch eine Gummisicke mit großem Hub, einen tiefen Magneten und eine Entlüftung des Luftspalts sowie des Polkerns zur Minimierung von Störgeräuschen. Technisch bietet der KT 100 V eine Nennimpedanz von 4 Ω, eine Nennbelastbarkeit von 25 W und eine Musikbelastbarkeit von 40 W. Das Übertragungsband reicht laut Herstellerangabe von 32 Hz bis 9.500 Hz (-10 dB). Laut Datenblatt beträgt die Resonanzfrequenz fs 42 Hz, der mittlere Schalldruckpegel 80 dB (1 W/1 m). Durch die kompakte Bauweise bei gleichzeitig soliden TSP-Werten ist der KT 100 V geeignet für geschlossene oder kleine Bassreflex-Boxen, Lautsprecherbau im DIY-Segment oder als Ersatztreiber in bestehenden Systemen. Nutzen für den Anwender: Tieferes Klangfundament bei kleiner Baugröße, zuverlässiger Betrieb dank robuster Mechanik und niedrigem Störgeräusch-Potential. Der KT 100 V ist damit eine technisch sauber dokumentierte Treiberlösung mit Alltagstauglichkeit.


JETZT – originale Recone-Kits von VISATON sowie unser Recone-Service – nur hier!


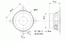
Technische Daten – VISATON KT 100 V


Technische Daten Wert
Kategorie Tieftöner
LF Größe (Zoll) 4″
LF Nennimpedanz 4 Ω
LF AES/Programm 25 W / 40 W
LF Empfindlichkeit 80 dB (1 W/1 m)
LF Frequenzbereich 32 Hz – 9.500 Hz
Resonanzfrequenz fs 42 Hz
Gleichstrom-Widerstand Rdc 3,7 Ω
Mechanischer Q-Faktor Qms 2,94
Elektrischer Q-Faktor Qes 0,69
Gesamt Q-Faktor Qts 0,56
Äquivalentes Luftnachgiebigkeits-Volumen Vas 7,5 l
Effektive Membranfläche Sd 52,9 cm²
Dynamische bewegte Masse Mms 7,9 g
Antriebsfaktor Bl 3,3 Tm
Netto Gewicht 0,466 kg
Einbaumaß (Ø Ausschnitt) 92 mm
Schwingspulendurchmesser 25 mm
Wickelhöhe 7 mm


Anwendungsgebiete – VISATON KT 100 V


Dank seiner kompakten Bauform und dennoch respektablen Tiefton-Eigenschaften eignet sich der KT 100 V hervorragend für kleinere Regal- oder Satellitenlautsprecher, die dennoch eine solide Bassbasis bieten sollen. Ebenso macht der KT 100 V sich gut in geschlossenen oder gut abgestimmten Bassreflexgehäusen, wo geringe Resonanzfrequenz und hoher mechanischer Hub von Vorteil sind. Im Korrektur-Setup für Heim- oder Pro-Audio-Anwendungen liefert der KT 100 V eine überraschende Tiefbasserweiterung bei kleinen Volumina – man kann hier mit einem Volumen im Bereich von z. B. ca. 5–8 l arbeiten und eine Abstimmfrequenz (Bassreflex) um ~45–50 Hz realisieren. Auch als Ersatzlautsprecher in älteren Systemen, die auf gewicht und Größe achten müssen, ist der KT 100 V eine interessante Wahl. Die robusten mechanischen Komponenten sorgen dabei für Zuverlässigkeit im Einsatz.


Downloads und Service – VISATON KT 100 V


Für den KT 100 V bieten wir eine vollständige Beratung rund um Gehäuseabstimmung, Weichenauslegung und Systemintegration an. Bei unserem Recone-Service oder mit Original-Recone-Kits besteht die Möglichkeit, den KT 100 V nach vielen Betriebsstunden wieder auf Werkszustand zu bringen – inklusive Messung von Impedanz und Frequenzgang. Wir unterstützen mit Bausatz-Hinweisen, Presets und passenden Filterkonzepten für den KT 100 V, um eine optimale Systemeinbindung zu gewährleisten.


DATENBLATT


Coaxial: NEIN
Größe: 4"
Magnet: Ferrit
Sperrgut: NEIN
TSP Qts: 0,501 - 0,60
TSP X-MAX (mm): 0,1 - 5,0 mm

0 von 0 Bewertungen

Durchschnittliche Bewertung von 0 von 5 Sternen

Bewerten Sie dieses Produkt!

Teilen Sie Ihre Erfahrungen mit anderen Kunden.


VISATON ist mit über 50 Jahren Erfahrung eines der führenden Lautsprecher-Spezialunternehmen in Deutschland.

Schon im Gründungsjahr 1968 waren unsere präzise und speziell gefertigten Lautsprecher gefragt. Dank des breit aufgestellten Produktprogramms und der Fähigkeit, passende Speziallösungen zu entwickeln, sind wir heute weltweit erfolgreich. Wir arbeiten tagtäglich daran, die Akustik in unterschiedlichsten Bereichen zu verbessern. Ob in der Industrie, auf Schiffen, im ÖPNV, in Museen, in Reisemobilen oder in Ihrem Wohnzimmer.

Die Bezahlung in unserem Shop ist absolut unkompliziert und bei Vorkasse gewähren wir ein extra Skonto von 2% ! Detaillierte Infos finden Sie unter Bezahlung & Versand. Wir bieten folgende Zahlungsmethoden:

Vorkasse paypal Klarna Amazon Pay

Versand nach D/A/CH (weitere Länder nur auf Anfrage)

KOSTENLOSER VERSAND AB:
Deutschland 999 €
Österreich 1.999 €
Schweiz 2.999 €)

Bei großen oder schweren Artikel kann ein pauschaler Sperrgut-Zuschlag anfallen - siehe Artikeleigenschaften (Sperrgut).

Sobald Ihre Bestellung aufgegeben wurde, erhalten Sie eine Bestätigungs-E-Mail, in der Sie darüber informiert werden, dass unser Team Ihre Bestellung erhalten hat. Sobald Ihre Bestellung bearbeitet wurde, erhalten Sie eine Benachrichtigung per E-Mail mit Ihren Informationen zum aktuellen Status. Die Versandkosten werden im Falle einer Rücksendung nicht erstattet. Wir versenden mit:

(D) Versandkostenfrei (D) Standardversand + Sperrgutpauschale (D) Standardversand (D) Versandkostenfrei + Sperrgutpauschale