Zum Hauptinhalt springen

B&C 10PS26 ist ein 10-Zoll Woofer für kompakte, belastbare Zwei-/Drei-Wege-Systeme. Der Ferrit-Antrieb mit 76-mm Aluminium-Schwingspule, 18-mm Wickelhöhe, 10-mm Luftspalt sowie Kurzschlussring (Copper Cap) sorgt für saubere Mitten und erweiterte Hochtonwiedergabe. 350 W AES / 700 W Programm, 96 dB und ein Arbeitsbereich von 55–4000 Hz liefern hohen Nutzpegel bei moderater Einbautiefe. Empfohlenes Bassreflex-Gehäuse: 25 dm³ mit 65 Hz Tuning – ideal für portable Tops, Near-/Front-Fills und Installationen.


JETZT – originale Recone-Kits von B&C sowie unser Recone-Service – nur hier!


Technische Daten – B&C 10PS26


Technische Daten Wert
KategorieWoofer
Nominal-Durchmesser250 mm (10″)
Nominal-Impedanz8 Ω
Mindestimpedanz7,1 Ω
Belastbarkeit AES (Nominal)350 W
Belastbarkeit Programm (Continuous)700 W
Empfindlichkeit (1 W/1 m)96 dB
Frequenzbereich55–4000 Hz
Schwingspule Ø76 mm (3″)
Wickelmaterial / TrägerAluminium / Glasfaser
Wickelhöhe / Luftspalt18 mm / 10 mm
Flussdichte0,9 T
Membranbehandlungkeine
Fs54 Hz
Re6,0 Ω
Qes / Qms / Qts0,33 / 2,9 / 0,29
Vas38 dm³
Sd320 cm²
η₀1,8 %
Xmax / Xvar5,5 mm / 5 mm
Mms33 g
Bl14,1 Tm
Le (1 kHz)1,2 mH
EBP164 Hz
Empf. Gehäuse (BR)25 dm³
Empf. Tuning (BR)65 Hz
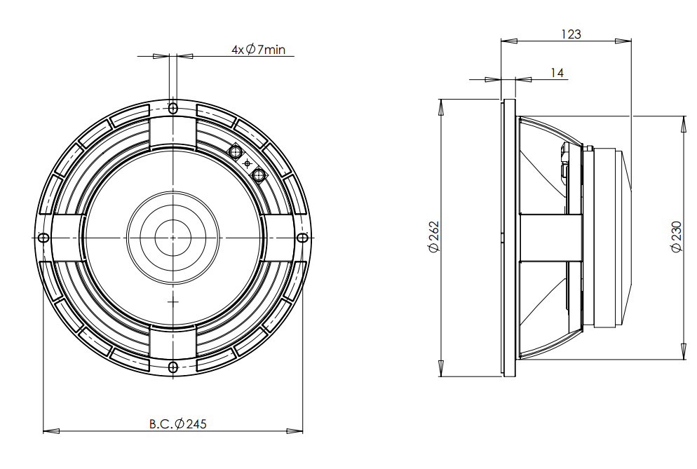
Außendurchmesser262 mm
Lochkreisdurchmesser245 mm
Einbauöffnung230 mm
Tiefe123 mm
Flansch-/Dichtungsdicke14 mm
Nettogewicht6,05 kg
Versandgewicht6,65 kg
Versandkarton (B×T×H)295×314×175 mm
Recone-/Service-KitRCK010PS268


Anwendungsgebiete – B&C 10PS26


Für kompakte 2-Wege-Topteile mit tiefer Trennung, Near-/Front-Fills und unauffällige Installationen. In 25-dm³-BR mit 65 Hz Tuning liefert der 10PS26 straffen Grundton, gute Sprachbasis und robuste Pegelreserven; die Konstruktion mit Double-Roll-Sicke und T-Pole begünstigt geringe Verzerrungen und schnelle Transienten.


Downloads und Service – B&C 10PS26


Wir beraten dich gern zu Auswahl, Gehäusebau, Abstimmung sowie DSP-/Weichen-Setup und Presets. Für den 10PS26 erhältst du Original-Recone-Kits oder unseren fachgerechten Recone-Service – mit Originalteilen, präziser Zentrierung und Mess-Kontrolle nach Trocknung.


DATENBLATT 8-OHM


Coaxial: NEIN
Größe: 4"
Impedanz: 8 Ohm
Magnet: Neodym
Sperrgut: NEIN
TSP Qts: 0,201 - 0,25
TSP X-MAX (mm): 0,1 - 5,0 mm

0 von 0 Bewertungen

Durchschnittliche Bewertung von 0 von 5 Sternen

Bewerten Sie dieses Produkt!

Teilen Sie Ihre Erfahrungen mit anderen Kunden.


Der 1946 gegründete Hersteller B&C Speakers mit Sitz in Italien ist einer der weltweit größten Hersteller professioneller Lautsprecher. Mit innovativen Technologien werden hier sowohl Subwoofer, als auch Hochtontreiber, Hörner und Coaxiallautsprecher entwickelt.

Die Bezahlung in unserem Shop ist absolut unkompliziert und bei Vorkasse gewähren wir ein extra Skonto von 2% ! Detaillierte Infos finden Sie unter Bezahlung & Versand. Wir bieten folgende Zahlungsmethoden:

Vorkasse paypal Amazon Pay Klarna google_pay

Versand nach D/A/CH (weitere Länder nur auf Anfrage)

KOSTENLOSER VERSAND AB:
Deutschland 999 €
Österreich 1.999 €
Schweiz 2.999 €)

Bei großen oder schweren Artikel kann ein pauschaler Sperrgut-Zuschlag anfallen - siehe Artikeleigenschaften (Sperrgut).

Sobald Ihre Bestellung aufgegeben wurde, erhalten Sie eine Bestätigungs-E-Mail, in der Sie darüber informiert werden, dass unser Team Ihre Bestellung erhalten hat. Sobald Ihre Bestellung bearbeitet wurde, erhalten Sie eine Benachrichtigung per E-Mail mit Ihren Informationen zum aktuellen Status. Die Versandkosten werden im Falle einer Rücksendung nicht erstattet. Wir versenden mit:

(D) Standardversand (D) Standardversand + Sperrgutpauschale (D) Versandkostenfrei (D) Versandkostenfrei + Sperrgutpauschale